
客服中心:400-055-6878
手 机:18833390060(微信同号)
18833390050(微信同号)
Q Q:1330226644
2244881518
邮 箱:hanyae@163.com
EOCR-DS1 |
EOCR-DS1T | EOCR-DS1(T)概述 √ 采用独立的两个输出端子(1a1b)和3CT的超薄型电机保护继电器
|

EOCR-DS1(T)保护功能
✔ 过电流(O-Time后动作)
✔ 缺相(4秒内)
✔ 堵转(D-Time后动作)
✔ 反转(0.3秒)
EOCR-DS1(T)产品特性
主要信息
产品名称 EOCR-DS1(T)
产品类型 反时限电子式过电流继电器
继电器应用 过电流
缺相
堵转
额定电源电压 [Us] S:24~240VAC/DC
继电器设定范围 05:0.5~6A;
30:3~30A;
额定绝缘电压 [Ui] 600 V AC 主回路 符合 CSA
600 V AC 主回路 符合 UL
690 V AC 主回路 符合 IEC 60947-4-1
补充信息
电源频率 50...60 Hz
安装方式 35mm导轨安装或螺钉固定
脱扣阈值 05:0.5~6A;
30:3~30A;
电磁兼容性 传导辐射 class A 符合 EN 55011
免于电磁干扰 10 V/m 符合 IEC 61000-4-3
静电放电抗扰 8 kV 隔空 符合 IEC 61000-4-2
静电放电抗扰 6 kV 直接模式 符合 IEC 61000-4-2
免于快速瞬变 2 kV 符合 IEC 61000-4-4
冲击耐受电压 6 kV 符合 IEC 61000-4-5
高频传导干扰 10 V 符合 IEC 61000-4-6
辅助触点类型 1 NO + 1 NC
约定发热电流 [Ith] 5A 适用信号回路
与继电器配合使用的熔丝 5 A gG 适用 信号回路
5 A BS 适用 信号回路
额定冲击耐受电压 [Uimp] 6 kV
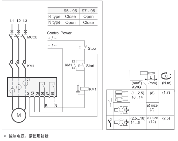
时间范围 0.5...30 s - 控制类型 O-time
0.5...120s - 控制类型 R -time
接线能力
信号回路 : lugs-ring terminals 接线片外径Ø: 7 mm
Signalling circuit : screw clamp terminals 1 cable(s) 1...2.5 mm² - cable stiffness: flexible - with cable end cable end
Signalling circuit : screw clamp terminals 1 cable(s) 1...2.5 mm² - cable stiffness: flexible - without cable end cable
Signalling circuit : screw clamp terminals 2 cable(s) 1...2.5 mm² - cable stiffness: flexible - with cable end cable end
Signalling circuit : screw clamp terminals 2 cable(s) 1...2.5 mm² - cable stiffness: flexible - without cable end cable end
紧固扭矩 信号回路 : 1.7 N.m 螺丝: M3.5
环境
符合标准 IEC 60255-6
IEC 60947
防护措施 TH 符合 IEC 60068
IP 保护等级 IP20 符合 VDE 0106
IP20 符合 IEC 60529
环境温度 -25...60 °C 不降容 符合 IEC 60947-4-1
贮存环境温度 -30...80 °C
工作海拔 2000 m
抗冲击、震动性能 抗冲击性能 15 gn (11ms) IEC 60068-2-7
抗震性能 4 gn IEC 60068-2-6
绝缘性能 2 kV 在…上 50 Hz 符合 IEC 60255-5
质保期 18个月
EOCR-DS1(T)参考接线

EOCR-DS1(T)外形尺寸


EOCR-DS1(T)产品订购

EOCR-DS1(T) 产品列表
| 缩图 | 类别 | 型号 | 电流范围 | 控制电压 |
|---|---|---|---|---|
| EOCR-DS1 | EOCRDS1-05S | 0.5~6A | AC/DC 24~240V |
EOCRDS1-30S | 3~30A | |||
![]() | EOCR-DS1T | EOCRDS1T-05S | 0.5~6A | |
| EOCRDS1T-30S | 3~30A |
相关下载